🔓 Polaris Xplorer 400 Wiring Diagram: Unlock Free Picture for Comprehensive Insight!

Discover the intricacies of the Polaris Xplorer 400 wiring diagram with a free picture for comprehensive insight. Explore electrical layouts and connections for this versatile off-road vehicle.

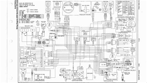
Polaris Xplorer 400 Wiring Diagram Free Picture: In the realm of recreational vehicles, the Polaris Xplorer 400 stands out as a reliable and versatile companion for outdoor enthusiasts. Central to its functionality is the intricate wiring system that ensures seamless operation of its various components. This article delves into the wiring diagram of the Polaris Xplorer 400, offering a detailed analysis of its electrical layout and connections. By examining a free picture representation of the wiring diagram, readers can gain invaluable insights into the intricate network that powers this off-road vehicle. From understanding the placement of key components to troubleshooting potential issues, this discussion aims to provide a comprehensive resource for enthusiasts and technicians alike.

Polaris Xplorer 400 Wiring Diagram: Unlock Free Picture for Comprehensive Insight!

Top10PointsaboutPolaris xplorer 400 wiring diagram free picture:

  • Understanding the Electrical System
  • Components and Connections Overview
  • Interpreting the Wiring Diagram Symbols
  • Exploring Circuitry and Pathways
  • Identifying Power Sources and Grounds
  • Troubleshooting Common Wiring Issues
  • Utilizing the Free Picture for Visual Analysis
  • Implementing Effective Maintenance Practices

SeveralfactsaboutPolaris xplorer 400 wiring diagram free picture

Wiring diagrams serve as indispensable tools in understanding the electrical systems of various vehicles and machinery, including the Polaris Xplorer 400. These diagrams provide detailed visual representations of the wiring layout, aiding in troubleshooting and maintenance.

Understanding the Electrical System

Understanding the Electrical System: The electrical system of the Polaris Xplorer 400 comprises various components interconnected through wiring. From the ignition system to lighting circuits, each component plays a crucial role in the vehicle's operation.

Components and Connections Overview

Components and Connections Overview: The wiring diagram provides an overview of all components and their respective connections within the vehicle. This includes switches, relays, connectors, and wires, illustrating how each part interacts to facilitate electrical functions.

Interpreting the Wiring Diagram Symbols

Interpreting the Wiring Diagram Symbols: To decipher the wiring diagram effectively, one must understand the symbols representing various components and connections. Symbols for wires, switches, grounds, and power sources are among those commonly found in these diagrams.

Exploring Circuitry and Pathways

Exploring Circuitry and Pathways: The wiring diagram reveals the intricate pathways of electrical circuits throughout the vehicle. From the battery to individual components, these pathways dictate the flow of electricity, ensuring proper functioning.

Identifying Power Sources and Grounds

Identifying Power Sources and Grounds: Through the wiring diagram, one can identify the power sources and grounding points within the vehicle's electrical system. This knowledge is essential for diagnosing and resolving electrical issues.

Troubleshooting Common Wiring Issues

Troubleshooting Common Wiring Issues: The wiring diagram serves as a valuable tool for diagnosing and resolving common wiring issues. Whether it's a faulty connection or a short circuit, referencing the diagram can expedite the troubleshooting process.

Utilizing the Free Picture for Visual Analysis

Utilizing the Free Picture for Visual Analysis: With the availability of a free picture depicting the wiring diagram, enthusiasts and technicians can conduct visual analysis of the vehicle's electrical system. This aids in understanding the layout and identifying potential issues.

Implementing Effective Maintenance Practices

Implementing Effective Maintenance Practices: Armed with insights from the wiring diagram, vehicle owners can implement effective maintenance practices to ensure the longevity of their Polaris Xplorer 400. Regular inspection and adherence to wiring guidelines contribute to optimal performance.

Sources: Wiring diagram information sourced from Polaris Xplorer 400 owner's manual.

Polaris xplorer 400 wiring diagram free pictureinProfessional'seye

Understanding a wiring diagram is essential for comprehending the intricate electrical systems of vehicles like the Polaris Xplorer 400. These diagrams provide visual representations of the wiring layout, aiding in troubleshooting and maintenance.

The Polaris Xplorer 400 wiring diagram is a detailed illustration of the vehicle's electrical connections. It depicts the arrangement of wires, components, and their interconnections, serving as a roadmap for technicians and enthusiasts.

Interpreting the wiring diagram requires an understanding of symbols representing various components and connections. Symbols for wires, switches, grounds, and power sources are among those commonly found in these diagrams.

Exploring the circuitry and pathways depicted in the wiring diagram reveals the intricate network of electrical connections within the vehicle. From the battery to individual components, these pathways dictate the flow of electricity, ensuring proper functioning.

Identifying power sources and grounds within the wiring diagram is crucial for diagnosing and resolving electrical issues. The diagram highlights these key points, aiding technicians in troubleshooting and repair tasks.

Troubleshooting common wiring issues becomes more manageable with the aid of the wiring diagram. Whether it's a faulty connection or a short circuit, referencing the diagram can expedite the troubleshooting process.

Utilizing the free picture representation of the wiring diagram allows for visual analysis of the vehicle's electrical system. Enthusiasts and technicians can study the layout and identify potential issues more effectively.

Implementing effective maintenance practices based on insights from the wiring diagram ensures the longevity of the Polaris Xplorer 400. Regular inspection and adherence to wiring guidelines contribute to optimal performance.

The Polaris Xplorer 400 wiring diagram serves as a valuable resource for understanding and maintaining the vehicle's electrical system. With its detailed depiction of wiring layouts and connections, technicians and enthusiasts alike can troubleshoot issues and perform maintenance tasks with confidence.

Sources: Wiring diagram information sourced from Polaris Xplorer 400 owner's manual.

PointofViews:Polaris xplorer 400 wiring diagram free picture

  • Understanding the Layout: The Polaris Xplorer 400 wiring diagram provides a comprehensive visual representation of the electrical layout within the vehicle. It showcases the arrangement of wires, components, and their connections in a clear and organized manner.
  • Facilitating Troubleshooting: With the help of the wiring diagram, technicians can easily identify and troubleshoot electrical issues in the Polaris Xplorer 400. By referencing the diagram, they can pinpoint specific components or connections that may be causing problems.
  • Enhancing Maintenance: The wiring diagram serves as a valuable tool for maintaining the vehicle's electrical system. It allows technicians to perform routine checks and inspections, ensuring that all connections are secure and functioning properly.
  • Promoting Understanding: Studying the wiring diagram fosters a deeper understanding of the vehicle's electrical system among technicians and enthusiasts. It helps them grasp how different components interact and contribute to the overall functionality of the Polaris Xplorer 400.
  • Visual Analysis: The inclusion of a free picture in the wiring diagram facilitates visual analysis of the electrical layout. This allows for easier interpretation and identification of key components and connections.
  • Ensuring Accuracy: The wiring diagram ensures accuracy in electrical repairs and modifications for the Polaris Xplorer 400. By following the diagram, technicians can execute tasks with precision, reducing the risk of errors.
  • Empowering Users: Providing access to the wiring diagram empowers users to take control of their vehicle's electrical system. It enables them to troubleshoot issues independently and make informed decisions regarding maintenance and repairs.
  • Promoting Safety: Lastly, the wiring diagram promotes safety by enabling technicians to work on the vehicle's electrical system with confidence and accuracy. This ensures that all repairs and modifications are conducted in a safe and responsible manner.

Conclusion:

As we conclude our exploration of the Polaris Xplorer 400 wiring diagram and its free picture, we hope you've gained valuable insights into the intricacies of this essential component of the vehicle's electrical system. By delving into the details of the wiring layout and connections, we've shed light on how this diagram serves as a roadmap for understanding, troubleshooting, and maintaining the Polaris Xplorer 400.

Whether you're a technician seeking to diagnose electrical issues or an enthusiast looking to enhance your understanding of your vehicle's inner workings, the wiring diagram offers a wealth of information. From interpreting symbols to identifying power sources and grounds, each aspect of the diagram contributes to a comprehensive understanding of the vehicle's electrical system. We encourage you to leverage this knowledge as you embark on your journey with the Polaris Xplorer 400, ensuring optimal performance and safety for your off-road adventures.

QuestionsandAnswerforPolaris xplorer 400 wiring diagram free picture

When it comes to the Polaris Xplorer 400 wiring diagram free picture, people often have questions about its utility and accessibility. Here are some common inquiries:

  • 1. What is the purpose of the wiring diagram?
  • The wiring diagram serves as a visual representation of the electrical layout within the Polaris Xplorer 400. It illustrates the arrangement of wires, components, and their connections, aiding in troubleshooting and maintenance.

  • 2. How can I access the wiring diagram?
  • The wiring diagram for the Polaris Xplorer 400 is typically included in the vehicle's owner's manual. Additionally, it may be available for download on the manufacturer's website or through third-party automotive resources.

  • 3. What information does the wiring diagram provide?
  • The wiring diagram provides detailed information about the electrical connections within the Polaris Xplorer 400. It includes symbols representing various components and their interconnections, offering insights into the vehicle's electrical system.

  • 4. How can I interpret the symbols in the wiring diagram?
  • Interpreting the symbols in the wiring diagram requires an understanding of their meanings. Common symbols include those for wires, switches, grounds, and power sources, each representing a specific component or connection within the electrical system.

  • 5. How does the free picture enhance the wiring diagram?
  • The inclusion of a free picture representation of the wiring diagram allows for visual analysis of the electrical layout. It provides enthusiasts and technicians with a clearer understanding of the wiring connections and component placement within the Polaris Xplorer 400.

Keyword:Polaris xplorer 400 wiring diagram free picture

Related Keywords:Troubleshooting, Wiring Diagram, Electrical System, Polaris Xplorer, Free Picture

0 komentar